IP WiFi Box для видеодомофона Proline DWF-J301BOX
Поддержка: 2ВП+2ВК
Форматы: CVBS/AHD/TVI/CVI
Карта памяти: microSD до 32Гб
Интерфейсы: WiFi/LAN
Приложение: Android/IOS
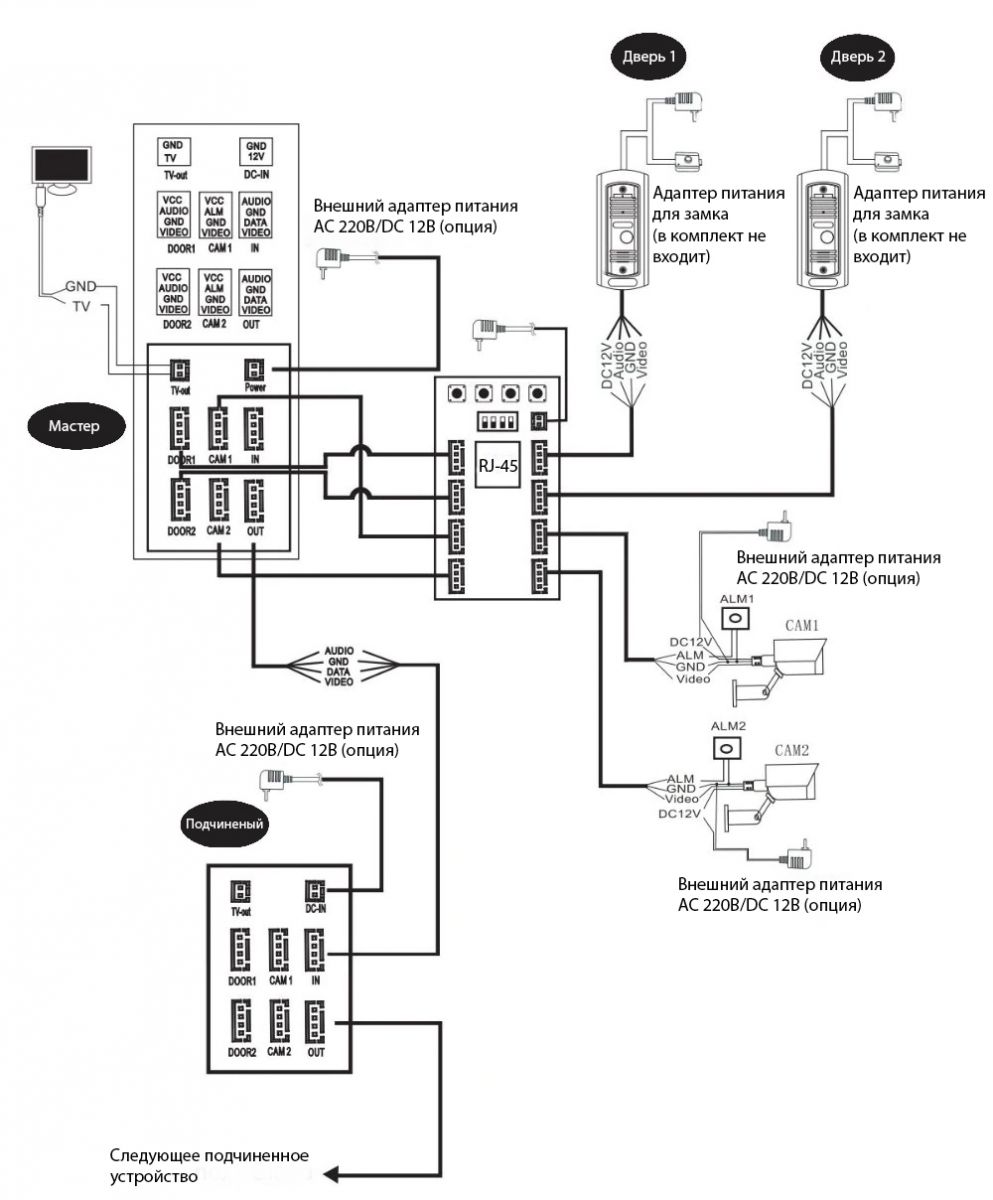
Proline DWF-J301BOX - это революционное устройство представляет собой небольшую пластиковую коробочку, которая выполняет функцию адаптера для подключения панели вызова видеодомофона к сети Интернет. Данный IP WiFi Box позволяет превратить существующую аналоговую систему домофонии (поддержка форматов CVBS/AHD/TVI/CVI) в современную сетевую с удаленным просмотром, общением и управлением. То есть Proline DWF-J301BOX превращает обычную домофонную систему с панелями вызова и видеокамерами как с обычным аналоговым CVBS сигналом, так и с HD-видеосигналом, в современную IP-домофонию. Благодаря такому подключению и настройке, вы можете получать уведомления и переадресацию вызова на свой мобильный телефон с операционными системами IOS или Android, через бесплатное приложение TuyaSmart. А также вы можете удаленно не только принимать звонки от посетителей, но и в случае подключения системы контроля доступа в виде электрозамка, удаленно открывать его с мобильного телефона.

Приложение поддерживает подключение нескольких пользователей, а к самому устройству можно подключить до 2-х видеопанелей и до 2-х видеокамер с разрешением до 1080p.

При использовании IP WiFi Box Proline DWF-J301BOX не обязательно устанавливать видеодомофон, можно организовать удаленное подключение через сеть Интернет напрямую к видеопанелям и видеокамерам. При этом рекомендуем использовать стабильную связь с Интернетом, т.к. в случае его отсутствия уже будет не возможно управлять устройством и открывать двери. Этот адаптер обладает слотом для подключения карты памяти (в комплект не входит) формата microSD до 32Гб, который позволяет вести фото и видеофиксацию посетителей с видеопанелей. Записи можно удаленно посмотреть через приложение TuyaSmart в телефоне или на ПК напрямую с microSD карты.
Как это работает:
Устройство может работать в 3 режимах: как точка доступа Hotspot, через беспроводное соединение WiFi или через проводное соединение LAN.

Самым простым способом подключения считается проводное соединение через LAN. Для этого нужно сетевым проводом с разъемами RJ-45 подключить Proline DWF-J301BOX к роутеру, который в свою очередь должен иметь доступ в Интренет. Далее необходимо подключить вызывные панели, видеокамеры и видеодомофон к IP WiFi Box с помощью коннекторов в необходимый разъем, а также блок питания устройства, придерживаясь правильной распиновки:

Особенности:
- Подключение видеопанелей по 4-х проводной схеме.
- Подключение до 2-х вызывных панелей и домофонов.
- Подключение до 2-х видеокамер.
- Поддержка CVBS (аналог)/AHD/CVI/TVI форматов видеосигнала.
- Поддержка разрешения 720p/1080p (AHD/CVI/TVI) PAL/NTSC.
- Мгновенное оповещение о входящем вызове.
- Бесплатное приложение TuyaSmart с поддержкой устройств Android/iOS.
- Запись фото и видео посетителей на microSD карту до 32 Гб (в комплект не входит).
- Удаленное управление электрозамком.
- Интерфейсы подключения: WiFi и LAN RJ45.
- Три типа режима настройки сети: EZ mode (беспроводной WiFi), AP mode (беспроводная точка доступа), Cable (проводной LAN).
- Поддержка нескольких пользователей.
Технические характеристики
Основное |
|
| Схема подключения | 4-х проводная |
| Подключение вызывных панелей | до 2-х |
| Подключение видеокамер | до 2-х |
| Подключение видеодомофонов | до 2-х (возможно подключение до 5-ти параллельных мониторов домофона) |
| Форматы видеосигнала | CVBS (аналог) (PAL/NTSC)/AHD(PAL/NTSC)/CVI(PAL/NTSC)/TVI(PAL/NTSC) |
| Разрешение видеосигнала | CVBS - 720х576 |
| AHD - 1280x720 (720p)/1920x1080 (1080p) | |
| CVI - 1280x720 (720p)/1920x1080 (1080p) | |
| TVI - 1280x720 (720p)/1920x1080 (1080p) | |
| Карта памяти | microSD до 32Гб (в комплект не входит) |
| Беспроводное подключение | WiFi 2.4 ГГц (802.11b/g/n) |
| Проводное подключение | LAN RJ-45 |
| Режимы подключения | EZ mode (беспроводной WiFi), AP mode (беспроводная точка доступа), Cable (проводной LAN) |
| Функции | Удаленный просмотр посетителя, запись фото/видео, управление электрозамком |
| Мобильное приложение | TuyaSmart с поддержкой устройств Android/iOS |
Электропитание |
|
| Питание | AC 220В / DC 12В (2А) (БП в комплекте) |
| Тип блока питания | внешний |
| Ток в режиме ожидания | до 600 мА |
| Рабочий ток | до 2000 мА |
Общее |
|
| Способ крепления | накладной |
| Цвет | черный |
| Материал | пластик |
| Диапазон рабочих температур | от -10 до +60° C |
| Размер | 140х90х25 мм |
| Вес | 130 г |
Комплектация
- Адаптер IP WiFi Box – 1 шт.
- Монтажный комплект – 1 шт.
- Провода с коннекторами для подключения - 8 шт.
- Блок питания AC 220В / DC 12В (2А) - 1 шт.
- Руководство пользователя – 1 шт.
Оплачивайте покупки удобным способом. В интернет-магазине доступно 3 варианта оплаты:
- Наличные при самовывозе или доставке курьером. Специалист свяжется с вами в день доставки, чтобы уточнить время и заранее подготовить сдачу с любой купюры. Вы подписываете товаросопроводительные документы, вносите денежные средства, получаете товар и чек.
- Безналичный расчет при самовывозе или оформлении в интернет-магазине: карты МИР, Visa и MasterCard. Чтобы оплатить покупку, система перенаправит вас на сервер системы ASSIST. Здесь нужно ввести номер карты, срок действия и имя держателя.
- ЮMoney при онлайн-заказе. Для совершения покупки система перенаправит вас на страницу платежного сервиса. Здесь необходимо заполнить форму по инструкции.
Экономьте время на получении заказа. В интернет-магазине доступно 4 варианта доставки:
- Курьерская доставка работает с 9.00 до 19.00. Когда товар поступит на склад, курьерская служба свяжется для уточнения деталей. Специалист предложит выбрать удобное время доставки и уточнит адрес. Осмотрите упаковку на целостность и соответствие указанной комплектации.
- Самовывоз из магазина. Список торговых точек для выбора появится в корзине. Когда заказ поступит на склад, вам придет уведомление. Для получения заказа обратитесь к сотруднику в кассовой зоне и назовите номер.
- Постамат. Когда заказ поступит на точку, на ваш телефон или e-mail придет уникальный код. Заказ нужно оплатить в терминале постамата. Срок хранения — 3 дня.
- Почтовая доставка через почту России. Когда заказ придет в отделение, на ваш адрес придет извещение о посылке. Перед оплатой вы можете оценить состояние коробки: вес, целостность. Вскрывать коробку самостоятельно вы можете только после оплаты заказа. Один заказ может содержать не больше 10 позиций и его стоимость не должна превышать 100 000 р.
